Het is nu vr maart 06, 2026 3:22

Alle tijden zijn GMT + 1 uur [ Zomertijd ]




Plaats een nieuw onderwerp Antwoord op onderwerp  [ 10 berichten ] 
Auteur Bericht
 Berichttitel: Verlichting S10
BerichtGeplaatst: wo maart 27, 2013 22:23 
Offline
Trucker
Avatar gebruiker

Geregistreerd: do feb 23, 2012 18:25
Berichten: 76
Ik was er al over begonnen in het chevy topic maar het is hier beter op zijn plaats denk ik,

de verlichting (dimlicht) van mijn s10 is in de war, als de verlichting aan staat gaat hij na een poosje "knipperen" (aan ui aan uit enz)

alle andere verlichting werkt zo als het hoort,

nu ben ik aan het zoeken gegaan en bij de schakelaar uitgekomen,

de schakelaar is eigenlijk een soort stekker (mannetje) die in een contra stekker (vrouwtje) valt,

je kan aan de contra stekker zien dat hij te warm is geweest, is een witte stekker waar nu wat bruin/zwarte plekken op zitten,

als ik nu een nieuwe schakelaar monteer zal het probleem dan verholpen zijn of moet ik het verder zoeken?


heb de schakelaar open gemaakt en het lijkt wel of er een soort bimetaaltje in zit die de verlichting uitschakeld bij overspanning??

de schakelaar wordt ook heet als de verlichting ingeschakeld is...


de vraag is dus eigenlijk: ligt het probleem bij de schakelaar of ergens anders?


Mvg Jeffrey

_________________
Mini Truckie


Omhoog
 Profiel  
Antwoord met een citaat  
 Berichttitel: Re: Verlichting S10
BerichtGeplaatst: wo maart 27, 2013 22:27 
Offline
Trucker
Avatar gebruiker

Geregistreerd: do feb 23, 2012 18:25
Berichten: 76
http://www.ebay.com/itm/GMC-S-15-Olds-B ... 6d&vxp=mtr


gaat om precies zo'n schakelaar

_________________
Mini Truckie


Omhoog
 Profiel  
Antwoord met een citaat  
 Berichttitel: Re: Verlichting S10
BerichtGeplaatst: wo maart 27, 2013 22:40 
Offline
Truck forum Junky
Avatar gebruiker

Geregistreerd: ma apr 28, 2008 19:33
Berichten: 11769
Woonplaats: Zijtaart
Ik zou eerst eens naar de oorzaak van de overbelasting gaan zoeken, er zal wel vanalles aan elkaar geknoopt zijn, :!:
Schakelaar moet je zoiezo vervangen, en dan weet je ook of het probleem van het dimlicht daar in zit :!:

_________________
Peer...

Afbeelding


Omhoog
 Profiel  
Antwoord met een citaat  
 Berichttitel: Re: Verlichting S10
BerichtGeplaatst: wo maart 27, 2013 22:43 
Offline
Trucker
Avatar gebruiker

Geregistreerd: do feb 23, 2012 18:25
Berichten: 76
ja meer verlichting zit er niet op,

zat nog 1 schakelaar aan van werklampen ofzo die er in het verleden op hebben gezeten die heb ik los gekoppeld,


weet zelf niet zo goed waar ik het verder moet zoeken :oops:

iemand wel een adres in Nederland waar ik een schakelaar kan bestellen of wordt dat toch ebay?

_________________
Mini Truckie


Omhoog
 Profiel  
Antwoord met een citaat  
 Berichttitel: Re: Verlichting S10
BerichtGeplaatst: wo maart 27, 2013 23:01 
Offline
Truck forum Junky
Avatar gebruiker

Geregistreerd: ma apr 28, 2008 19:33
Berichten: 11769
Woonplaats: Zijtaart
jef0611 schreef:
ja meer verlichting zit er niet op,

zat nog 1 schakelaar aan van werklampen ofzo die er in het verleden op hebben gezeten die heb ik los gekoppeld,


weet zelf niet zo goed waar ik het verder moet zoeken :oops:

iemand wel een adres in Nederland waar ik een schakelaar kan bestellen of wordt dat toch ebay?



Kijk eens op www.rockauto.com goedkoop en in een weekje in huis. :!:

_________________
Peer...

Afbeelding


Omhoog
 Profiel  
Antwoord met een citaat  
 Berichttitel: Re: Verlichting S10
BerichtGeplaatst: do maart 28, 2013 10:49 
Offline
Trucker
Avatar gebruiker

Geregistreerd: za sep 24, 2011 8:37
Berichten: 552
Woonplaats: Uithoorn
Rockauto inderdaad maar op de sloop staan er ook genoeg.
Sloperij Rooie Ben in Osdorp/Sloten nabij Amsterdam heeft er een paar, de Blazer uit de zelfde bouwjaren zijn het zelfde.
Autopart DenDolder zal er ook wel een paar hebben.
Dat zijn beide amerikanen sloperijen.

_________________
'91 454SS
496ci, alu. koppen, Edelbrock injectie, remote 80mm turbo.
http://youtu.be/nF8DPwoybCo


Omhoog
 Profiel  
Antwoord met een citaat  
 Berichttitel: Re: Verlichting S10
BerichtGeplaatst: do maart 28, 2013 10:51 
Offline
Trucker
Avatar gebruiker

Geregistreerd: za sep 24, 2011 8:37
Berichten: 552
Woonplaats: Uithoorn
Overgens, de meeste problemen met electra is de massa, zorg dat alle massa draden goed schoon van roest en narigheid zijn.

_________________
'91 454SS
496ci, alu. koppen, Edelbrock injectie, remote 80mm turbo.
http://youtu.be/nF8DPwoybCo


Omhoog
 Profiel  
Antwoord met een citaat  
 Berichttitel: Re: Verlichting S10
BerichtGeplaatst: do maart 28, 2013 20:16 
Offline
Trucker
Avatar gebruiker

Geregistreerd: do feb 23, 2012 18:25
Berichten: 76
Autobedrijf in Den Dolder heb ik gemaild,

vandaag weer aan de s10 bezig geweest,

kabels vanaf de schakelaar gevolgd tot motor ruimte en daartussen hadden ze er een schakelaar en relais tussen geknoopt..

ik alles netjes weggehaald en weer hersteld zoals het hoort, helaas zonder resultaat verlichting is nog niet in orde..


ook een radio gekocht en die erin gezet wat een bende maken sommige mensen van de bedrading!! ongeloofenlijk overal massapunten en plussen vanaf gepakt... maargoed ook weer in fatsoen gebracht en de radio doet het zoals het hoort,


voor de verlichting eerst maar een andere schakelaar proberen denk ik misschien is dat wel het probleem anders wordt het toch lastig vinden denk ik,

_________________
Mini Truckie


Omhoog
 Profiel  
Antwoord met een citaat  
 Berichttitel: Re: Verlichting S10
BerichtGeplaatst: ma apr 01, 2013 11:52 
Offline
Trucker
Avatar gebruiker

Geregistreerd: do feb 23, 2012 18:25
Berichten: 76
schakelaar heb ik ik getest door er een ander schakelaar tussen te zetten met een zekering,

schakelaar is niet echt het probleem want de zekering aan de andere schakelaar vliegt er ook uit,


misschien een relais? maar waar vind ik die? ben al aan het zoeken geweest maar kom zoveel relais tegen dat ik niet weet welke ik moet hebben..

_________________
Mini Truckie


Omhoog
 Profiel  
Antwoord met een citaat  
 Berichttitel: Re: Verlichting S10
BerichtGeplaatst: ma apr 01, 2013 17:38 
Offline
Trucker
Avatar gebruiker

Geregistreerd: do feb 23, 2012 18:25
Berichten: 76
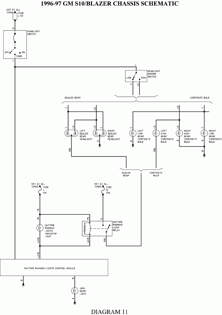
ik zoek dit relais en eventueel ook die module..

Afbeelding

_________________
Mini Truckie


Omhoog
 Profiel  
Antwoord met een citaat  
Geef de vorige berichten weer:  Sorteer op  
Plaats een nieuw onderwerp Antwoord op onderwerp  [ 10 berichten ] 

Alle tijden zijn GMT + 1 uur [ Zomertijd ]


Wie is er online

Gebruikers op dit forum: Geen geregistreerde gebruikers. en 8 gasten


Je mag geen nieuwe onderwerpen in dit forum plaatsen
Je mag niet antwoorden op een onderwerp in dit forum
Je mag je berichten in dit forum niet wijzigen
Je mag je berichten niet uit dit forum verwijderen

Zoek naar:
Ga naar:  
cron
Powered by phpBB® Forum Software © phpBB Group
phpBB.nl Vertaling